Lintmakk Olimp MPK-005C
Järgnev kirjutis on ühest lintmakist. Makk muidu nagu omaaegne kõrgklassi vene makk ikka (omadused, kasutusjuhend, skeem), aga olen seda veidi ümber ehitanud.
Video lintmakk Olimp MPK-005C:
Ümberehitamise põhjus
Umbes 3 aastat tagasi müüdi foorumis mittetöötavalt Olimp 005 lintmakki. Põhjus olevat „väsinud lüüdid“. Ehk maakeeli „ei tööta“. Kuna himu säärase maki järgi oli suur aga raha välja käia ei tahtnud, vahetasin ühe teise maki vastu välja. Mõtlesin, et mis see ära ei ole, et poole tunni pärast makk laulab – aga ei. Selgus, et juhtloogikaplaat ei toiminud nagu vaja. Veidi põgusamal uurimisel selgus, et makis olid läbi suvalised mikroskeemid. Kaasa arvatud võimendite plaadil. Loogiline seletus – makk oli saanud äikest (ülepinget). Kuna loogikaosas on makil kasutusel kolm spetsiifilist mikroprotsessorit, ei jäänud muud üle, kui ise uus juhtosa disainida.
Algselt oli disaineritepoolt makile mõeldud CD mängija funktsionaalsus – lugude otsimine, eelprogrammeeritud esitusloendid, ülevaaterežiim (iga loo algusest mängitakse umbes 10 sekundit). Ja mõned kellad-viled veel. Vene foorumitest lugesin, et ega see „funktsionaalsus“ ei toiminud ka originaalelektroonikat kasutades. Arvatavasti said pärast esimeste makkide valmimist insenerid ka sellest aru ja hakati tootma makki „Olimp 005-C1“, kus kogu juhtimine läks tagasi lihtloogika peale. Eemaldati ka need kasutud funktsioonid.
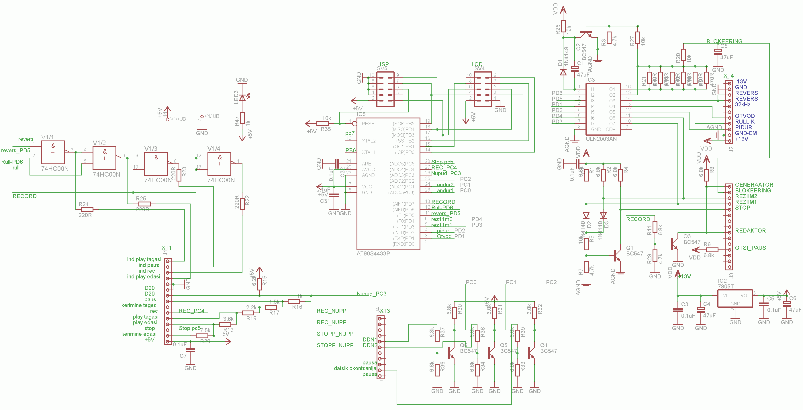
Skeem
Skeemi disainimisel oli alguses ainus eesmärk – makk tööle saada oma põhifunktsioone täitma. Kõige lihtsam tundus olevat mikrokontrolleri kasutamine. Ja nii tegingi. Ühendused tegin makiga sellised, et makki ennast ümber ehitada pole vaja ja plaadi võib panna lihtsalt juhtloogika plaadi asemele. Kõige eest hoolitseb ATmega88, millele on lisatud mõned välised komponendid elektromagnetite juhtimiseks ja pingenivoode teisendamiseks. Makis endas toidetakse loogikalülitusi +13 V ja 13 V pingega (miks ???). Samuti on lisatud harilik LCD ekraan, kus kuvatakse lindiloendur ja töörežiimid. Maki juhtnuppudest on kasutusel vaid parempoolsed, vasakpoolsed ei ole hetkel ühendatud.
Veidi skeemi eripäradest. Et protsessori sisendeid kokku hoida,viiakse juhtsignaalid protsessorisse analoogrežiimis. Ehk iga nupp tekitab erineva pinge. Idee sain vaadates lääne autoraadiote skeeme. Lihtne ja töökindel nuppude jaoks, mida pole vaja korraga vajutada. Erand on stoppnupp, mis kutsub esile riistvaralise katkestuse ja salvestusnupp, kuna seda tuleb vajutada samaaegselt taasesitusnupuga. Töörežiimi valgusdioodid on samuti protsessori jalgade kokkuhoidmise eesmärgil ühendatud läbi lihtloogika režiimiväljundite pealt. Elektromagneteid juhib ULN2003 ja vajalikud inverteerimised ja pingeteisendused on tehtud KT315 transistoritega.
Võimalused
Realiseeritud on järgnevad töörežiimid: stopp; taasesitus edasi; taasesitus tagasi; paus salvestusel; salvestus; edasi kerimine; tagasi kerimine, abifunktsioonid: pidurdamine taasesitusel või salvestusel; pidurdamine kerimisel.
Kõikides režiimides töötab lineaarne lindiloendur, mis näitab taasesitusaega sekunditäpsusega ja arvestab ka lindi liikumise kiirust ja suunda.
Töörežiime, ehk olekuid saab muuta käsitsi, vastavat nuppu vajutades või muutuvad nad automaatselt. Näiteks „stopp“ nupu vajutamisel kontrollitakse, mis režiimis ennem makk oli ja pidurdatakse nn „nutikalt“. Salvestusel/taasesitusel kus lindi kiirus on väike ja inerts olematu, toimub pidurdus lühikest aega. Kerimisrežiimis aga antakse lühikeseks ajaks käsk – kerimine vastassuunda, samaaegselt veel pidureid peal hoides. 18 cm ketastega on lindi seiskumine hästi kiire, samas ei ole täheldanud, et linti ülemääraselt pingutataks. „Stopp“ režiimi lülitub makk ka pärast seda, kui mingis töörežiimis ei saabu lindiloenduri anduritelt signaali (lint ei liigu).
Väga mugava asjana lisasin lindiloendurile „mälu“. See tähendab, et võib „meelde jätta“ suvalise koha lindil. Kui makk on taasesitusrežiimis ja vajutatakse kerimisnupule, keritakse märgitud kohani ja jätkatakse kuulamist sealt. Väga mugav näiteks lemmiklaulu korduvalt kuulata. Kui makk on ennem aga stopper-režiimiis, jäetakse märgitud koha leidmisel lint seisma
Mis jäi tegemata
(ajapuudus, laiskus, mõtted)
- Suvalise IR puldiga juhtimine. Mõttes on olnud, vabad „koivad“ ka protsessoril.
- Optiline autostopp. Kuna makil oli see ära lõhutud, ei viitsinud sinna optopaari aretada. Siis saaks programmeerida ka „autoreversi“
- VFD ekraan (nagu originaalis). Eeldab lisakive, aega, viitsimist. Puudusena – võib tekitada korraliku müranivoo. See on üks selle maki tüüpvigasid originaalplaadi puhul.
- RS232/USB juhtimine. Saaks arvutist juhtida või siduda muu seadmega. Milleks ????
Lõpetuseks ütlen, et sedalaadi lihtsat lahendust saab kasutada suvalise maki puhul (ka kassettmaki puhul), kus mehaanikat juhitakse elektromagnetitega. Vaja vaid veidi kohendada sisendeid/väljundeid ja programmi.
« « Mõtete abil juhitav helikopter muudab maailma Kummituste detektori töötuba! » »




On sul äkki olnud kokkupuudet ka mõne Lääne lintmakiga? Mingi aeg tagasi vaatasin Kuldses börsis müüdavat prillikivi. Liiga kallis tundus. Ei raatsinud osta. Nüüd mõtlen, et peaks analoogse Olimp 005 otsima, saaks äkki lihtsa vaevaga sinu juhtloogika sisse monteerida 🙂
Link: http://www.kuldnebors.ee/search/audio-video-foto/stereoseadmed/lintmakk-akai-gx-630/search.mec?pob_post_id=16931026&pob_action=show_post&pob_cat_id=10839&pob_browser_offset=50&pob_view_language_id=et
🙂
Ega Olimpid odavamad pole. Kõik sõltub “kosmeetikast” ja tehnilisest seisukorrast.
Lääne makkidega on kogemus Revox A77 ja Akai 747ga. Esimese panin laulma, teist olen niisama näppinud. Ehk aus vastus oleks – kui mehaanika on hea, pole elektroonikaga probleemi.
Kui tahad makki osta, vaata eelkõige peade ja surverulli seisukorda.
Hea mehaanika tunneb ära kolme mootori ja elekroonilise lindipinguti järgi
Tubli ettevõtmine ja kiidan, et on viitsimist sellist asjandust tööle nokitseda. Olimp oma töökindluse ja asjalikkuse juures on seda väärt.
Mul endal on pidevas kasutuses kaks 005-te ja üks 004. Õnneks ei ole olnud taolisi fataalseid vigastusi, küll aga vajab mehaanika aeg-ajalt neil kõigil putitamist. Liikuvad detailid lihtsalt kuluvad. Hea, et saab asendada detaile Revoxi omadega. Ja neid vidinaid õnneks on päris hästi saadaval eBays, kuigi tõsi – hinnad kipuvad olema soolased. Näiteks: http://www.ebay.com/itm/Andruckrolle-fur-Revox-B77-B-77-pinch-roller-Bandmaschine-Tape-Recorder-/130812965803?pt=Bandmaschinen&hash=item1e750f73ab
Ehk siis täpselt sama surverull, mis Olimpil.
Täpsustaks veidi seda lintidesse puutuvat. Praegu on maakeral kaks tootjat, kellelt saab päris tutikat linti. US Recordings Media ja RMG International, mis on õigupoolest brändi nimi (kuulub ühele prantsuse ettevõttele). Tootmine vist on endiselt Hollandis (prantslased ostsid RMG tootmisliini hollandlastelt), kuid tegemist on endiste Emteci ehk BASFi linditüüpidega, millede tootmisõigus ja retseptid on liikunud uute omanike kätte. Need lindid on kallid, kuid väga kvaliteetsed. Ja maksab toota, sest tegelikult ei tegele analoogsalvestusega mitte ainult suured stuudiod, vaid ka väikesed ja kogunisti paljud nn ühemehe “bedroom” stuudiod (ka eestis muide – Allan Vainola minu andmetel). Eriti aktiivselt toimetatakse USAs. Analoogsalvestus tõstab jõudsalt pead ja kui muusikutel on huvi, siis tekib ka neid, kes on valmis vastavat teenust pakkuma.
Kui raha väga palju üle ei ole, siis eBays on lõputu valik linte järelturul. Ka tühje ja avamata pakendis. Kirjutage vaid otsingusse “reel to reel” ;-). Olen sealt mitu korda ostnud.
Edu!
Ega Sul ei ole huvi ühte 005 ära müüa? Mul on kunagi onul olnud selline aga see on läinud kaduma sel ajal kui ma veel ei osanud hinnata selliseid seadmeid. Mul ei ole oluline seisukord.
Ei ole huvi… sest mul üks ainult on.. Mõelda võin ainult vahetusele, aga ka sel juhul peab asi olema samaväärne. Kord oli mul mõte vahetada 004 vastu. Aga ..loobusin.
Andestust…mõtlesin, et küsisid minu käest.
Olimp seeria on mehaaniliselt jah Revoxi (A700) pealt maha viksitud. Hinnad on jah soolased.
Vanade “uute” lintide puhul peab olema ettevaatlik. Isegi kui nad kilepakendis on. Oman kogemust küll ida lintidega, aga pidavat ka lääne lintide puhul kehtima. Olulised on säilitustingimused, eriti temperatuuri ja niiskuse muutused. Töökiht on lihtsalt lahti või serv “lokib” ja pärast esimest kasutamist kettale enam ei mahu.
Kas selliseid isendeid on veel turul liikumas? Oled ehk enda oma müümisest huvitatud. Jätkaksin meelsasiti Sinu tööd sealt kus sul pooleli on jäänud (ajapuudus, laiskus, mõtted).
Kas neid liikumas on, ei tea. Silmad tuleb lahti hoida, muud ma ei oska soovitada. Ise pole näinud
Enda isendist. Ei kipu oma mänguasja müüma. Vähemalt mitte niikaua kui äärmine häda käes. Raha ei asenda lintmakki.
Aga minult on ennegi küsitud, mis võiks hind olla. Kindlasti kolmekohaline, taga on kaks üheksat ja esimene number ei ole ei üks ega kaks.
See on orienteeruv hind, millega need kastid liiguvad. Ebays on hinnad juba kohati neljakohalised.
Aastaid tagasi, kui tekkisid esimesed probleemid lintidega, ehitas mu lätlasest tuttav endale seadme, mis lõikas vidokasseti 12,7mm lindi pikuti pooleks.
http://www.ebay.de/itm/OLIMP-MPK-005C-1-005S-1-Beste-Russische-Stereo-Tonbandmaschine-Tonbandgerat-/321553071021?pt=Bandmaschinen&hash=item4ade0e7bad
Mulle meeldib su idee mikrokontroller. Tahaksin korrata! Mul on vaja lähtekoodi atmega88. ette tänades! Viska mulle mail AleksE398@rambler.ru