Raadio-grammofon Latvija
Juhtus nii, et minu juurde toodi rohelise silmaga, 1961. aastal Läti elektrotehnika tehases (Valsts Elektrotehniskā Fabrika) valmistatud raadio-grammofon “Latvija”. Kuna tegemist ei ole (hetkel veel) eriti rariteetse aparaadiga, siis täieliku restaureerimist ei hakanud ette võtma, kuna see nõuaks kordades rohkem aega ja pühendumist. Seega oli eesmärk aparaat esialgu niisama originaalkontseptsioonis häält tegema saada. Seletasin omanikule ka, et ega sealt UKV lainepikkustelt enam midagi suurt kuulda ole aga ei jäetuid jonni, tegemist olevat vanemate pärandiga ja soov oli, et vähemalt grammofoni mängima saaks. Lubasin siis asja ikkagi uurida.
Esimene pilk aparaadile oli ehmatav, hapraks läinud plastmass, kinnikiilunud pöördlülitid, rullikud, skaala ja ühendusniidid katki, plaadimängija ei käinud ringi ja üldse nägi masin välja nagu tõeline tahmaahv.
Sisse vaadates avanes justkui omaette muuseum. Kõik oli äärmiselt paksu tolmukorra alla, aparaat oli seisnud ilmselt ca 40 aastat.
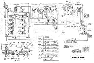
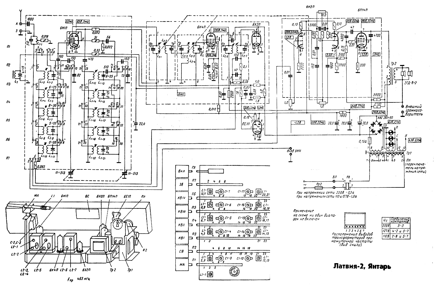
Esimese asjana peale pildistamist, proovisin ettevaatlikult aparaadi sisu korpusest välja saada. Selleks pidin lahti jootma plaadimängija sisendi, toitejuhtme ja kõlarid, kuna need juhtmed jäid sisu väljavõtmisel ette. Seejärel pühkisin pintsliga aparaadi tolmust puhtaks niipalju kui õnnestus. Proovisin ka tolmuimejaga lähenemist aga see ei kandnud eriti vilja, kuna tolmukiht oli niivõrd paks ja kartsin, et mõni lahtine vidin võib torusse lennata. Peale tolmust puhastamist õnnestus internetist skeem välja otsida, hakkasin teemasse tasapisi süvenema. Üritasin selgeks saada, et kus miski skeemis asub ja üldse aparaadi üleseheitusele pihta saada.
Kohe alguses ilmnes palju mehhaanilisi probleeme…nupplülitid ei liikunud, sageduse vahetamiseks oli pöördlüliti malmist osa katki, rullikud ei käinud ringi, tugevalt roostes…See kõik tõi kaasa kõvasti plekkide väänamist ja õlitamist. Õlitasin pea, et kõik liikuvad osad ükshaaval ära (kaasa arvatud grammofoni mootori laagrid jne). Kuna pöördlülitit vaadates selgus, et seda ära remontida ei õnnestu, asusin kohe doonoraparaati otsima…õnneks selle asjastu aparaate veel liigub…mõne nädala pärast saingi teise mitte töökorras Latvija 1958 aasta aparaadi kõrvale. Tegu oli küll 3 aastat varasema mudeliga, ent skeemiosas oli erinev ainult niiöelda roheline silm, ülejäänu kõik klappis.
Katsetamine
Enne pingestamist vaatasin, et kas sulavkaitse on terve – oli. Seejärel võtsin kõik lambid ükshaaval pesast välja, puhastasin oksüdeerunud kontaktid ära ja panin tagasi…Otsustasin teha ettevaatlikult esimese pingestamise, kuna kõik tundus juba enam-vähem ok. Esimene katse tõi kuuldavale ainult trafomürina. Peale mõningast uurimist selgus, et raadiolamp 6KP4 ei tööta… Õnneks on see suhteliselt levinud lamp ja leidsin oma lambikohvrist asenduse. Seejärel avastasin, et mingi võimendi osasse tulev juhe on kusagilt lahti…peale mõningast uurimist oskasin selle õigesse kohta tagasi joota. Toppisin raadiole antenni taha ja hakkasin kruttima. Selgus, et mu parandatud uued kapronnoorist tehtud ülekanderihmad kipuvad rullikutelt maha jooksma, jälle sai üksjagu panutustööd ja nipitamist ära tehtud. Lõpuks sain raadiole hääle sisse…
Hakkasid jamad grammofoniga, kombineerisin kahest nõelast kokku ühe, see eeldas jootekolviga pisut plassmassi sulatamist aga põhimõtteliselt sain lõpuks ühe töökorras nõela. Tänu õlitamisele käis nüüd plaadimängija mootor ka ringi aga mida ei olnud oli hääl…õigemini midagi nagu tuli aga jube vaikselt. Uurisin ja puurisin, sügasin kukalt ja kratsisin otsaesist, uurisin võimendi osa ja lihtsalt ei saanudki pihta, et milles asi …läks ca 3 – 4 tundi aega, enne, kui lõpuks taipasin skeemi vaadates, et sisse tuleb vajutada eesipaneelilt nupp nimega “зb” ja oh imet. Grammofon lõugas läbi oma nelja kõlari nagu hull.
Video:
Võib öelda, et kergelt pääsesin
Eks sellise aparaadi täieliku töökorda ajamine tahaks oluliselt põhjalikumat lähenemist, vaja oleks vahetada mitmed kondensaatorid, välimus tahaks tegemist, mehhaanika mitmest kohast järgiaitamist jne. Mõistlik oleks loomulikult ka FM sagedusala sisse ehitada. Omaette küsimus on, et kas sellise 60-ndate aastate aparaadiga on seda vaeva mõtet näha, hetkel on restaureerimiseks liikvel oluliselt väärikamaid, näiteks 1930-ndate aaste pille, kust puudub hapraks läinud malm ja pragusid täis kollaseks tõmbunud plassmass. Eks kõik on suhteline ja teada on, et neid muid põnevaid projekte ole ka piisavalt palju…
« « Skeemipesa saunaõhtu Nutisõrmus – kas uus trendiaksessuaar on sündinud? » »








Seleenalaldi on mõistlikum asendada välja tänapäevase dioodisilla vastu, nende pärast on toitetrafosid teise ilma läinud küll ja veel.
Eks ta õige oleks jah. Siin jaguks tegemist veel küllaga…kondensaatorid tahaks asendamist, välimus tegemist jne.
Sellel ju ULL (FM ) plokk sees, mis sa ikka juurde ehitad. Häälesta ringi ! Kui soovid, aitan:)
Ja seleenalaldi vaheta KOHE välja. Enne ära jäta raadiot järelvalveta (tulekahju oht. päriselt) !
ULL plokki ümberhäälestamisega pole enne kokku puutunud. Seda võiks teha küll. Seleenalaldi vahetan ära, see pole teab mis asi ära teha.
“raadio-grammafon” on eesti keeles radioola. “Raadio-magnetofon” aga magnetoola.
Tere!
Olen Tommi, käin praegu 9. klassis ja nüüd on päevakorras tööõpetuse lõputöö tegemine. Leidsin kodust ajaloogse Latvija grammofoni. Masin on ka hiljuti (~5 a) tööle pandud ja siis selgus, et kõlarid on läbi. Viisin praegu selle grammofoni kooli ja puhastasin kompressoriga ära. Edasj plaanin ‘ra vahetada kõlarid. Küsimused:
1.Kui suur on tõenäosus, et lambid on läbi?
2.Mis on seleenalald? Kasutaja Martin on kommenteerinud nende tuleohtlikusest.
Edasisi küsimui praegu pole. Väga vahva lehekülg. Loodan, et palju tüli ei tekita. 🙂